Comparison between autotransformer and soft starter
1、 Principle explanation
Compared with the auto coupling step-down start mode, soft start can realize smooth start, reduce the starting current, reduce the mechanical impact of large current on the motor when the motor starts, and the impact on the power grid, improve the power quality and save energy. Reduce the impact ofthe voltage drop on theother electrical appliances due to large current, , reduce wear and tear, extend the service life of motor, and save the maintenance cost of machinery.
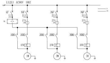
Starting diagram of autotransformer:
Soft starter of one pulling three:
If more than one motor is in the same area, the soft start and multi-pull mode can be adopted. In this mode, each motor starts and stops independently. After starting one motor, another motor can be startedinonly one minute apart.
2. Cost accounting
Take three sets of motor 45Kw in one unit for an example. The costs only cover the main components.
Autotransformerstarting : Three autotransformerstarting cabinets are needed, in each of which are 1 circuit breaker, 3 contactors and 1 auto transformers, so totally 3 circuit breakers, 9 contactors, 3 auto transformers and 3 cabinets.
The cost for each component:
Circuit breaker--17.2 usd/pc
Contactor--40usd/pc
Auto ransformer--193usd/pc
Cabinet:28.5usd/box
So the total cost is:17.2 *3+40*9+193*3+28.5*3=1076.1 usd
Soft starter starting: one soft starter of one pulling three work with 4 circuit breakers, 6 contactors , 1 soft starter, 1 cabinet.
Circuit breaker--17.2 usd/pc
Contactor--40usd/pc
Soft starter--180usd/pc
Cabinet:71.5usd/box
So the total cost is:17.2 *3+40*6+180+71.5=543.1 usd
Autotransformerstarting Soft starter starting




